ADJUSTABLE FRAME (A-Series) – Pair | Related Information
|
|
|
|||||
|---|---|---|---|---|---|---|
| FRAME MATERIALS | DOOR SIZE AND WEIGHT | JAMB DEPTH RANGES | RATINGS: | |||
| Prefinished Steel |
Max. Door Weight:
250 Lbs.
Max. Door Width: 2 x 4'0"
Max. Door Height: 8' – 0" |
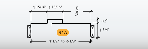
Min. Jamb Depth: 3 3/4"
Max. Jamb Depth: 9 1/8"
|
Not Avaliable | |||
| DOOR THICKNESS | ||||||
| 1 3/4" only | ||||||
| FRAME THICKNESS | ||||||
| 18 gauge | ||||||
| All widths and heights are inside dimensions – net door opening size. | ||||||

Email Us






















