Uses - Lodging Uses - Office Uses - Medical Office Uses - Dormitories Uses - Buildings of Worship Uses - Assisted Living Uses - Multi-Housing Uses - School Uses - Hospital Non Surgical Uses - Single Family
                   
KERFED FRAME (CK-SERIES)
Timely Frames Kerfed Frame General Information Drawing

 

Our new GalXC™ material is now standard for all Timely door frames raising the quality and performance properties to the highest level at an exceptional value. GalXC is a Hot Dipped Galvanized product that provides superior corrosion resistance in the harshest environments while balancing outstanding surface, gauge, and shape quality.

 

The prefinished steel CK-Series Kerfed Frame is a great option for any opening requiring a Smoke Seal or Weatherstrip. The CK-Series frames are the ideal solution for the Hotel/Motel market, where creating a quiet stress free environment for travelers is of the utmost importance.

 

Our CK-Series Kerfed Frames are made using 18 gauge galvanized prefinished steel. GalXC is easier to specify, ALL Timely frames are now made of GalXC , so they can be installed in any environment.

 

Finishing options include 7standard colors, 30 pre-matched custom colors, project matched custom colors or primed for field painting.

 

Fire Ratings up to 90 minutes are available.

 

Mullions are not available for CK-Series Kerfed Frames.

 

Our CK-Series Kerfed Frames will accommodate a 1 3/4″ door weighing up to 500 lbs.

 

Our TA-46 Weather Strip/Smoke Seal is available in 3 colors and can be Factory installed to reduce job site labor cost.

 

AVAILABLE IN JAMB DEPTHS

4″ to 8″ in 1/8″ increments.

 

Download Kerfed Frame (CK-Series) General Information

    KERFED FRAME (CK-Series) | Casing Options

    Casing Profiles for Timely Steel Door Frames

    Please select “Products > Casing Options” from the main menu if you require additional information regarding Timely’s casing options.
    Wood casing: can easily be applied to Timely frames. This requires a frame without Casing Retainer Clips. Specify frames with nail holes and oval slots (NHOS) only Wood casing is then installed over the frame face using a nail gun or trim head screws. Casing profile must provide back clearance for screw heads used to install frame. Fire Ratings: Wood casing must be applied with hot melt glue or contact adhesive on 90 minute rated frames and on all glazed openings with 45 minute or 60 minute rating. On all other fire rated frames, wood casing can be applied with nails or finish head screws on jambs and mullions.

    KERFED FRAME (CK-Series) | Color Options

     
    STANDARD FINISHES   PRE-MATCHED CUSTOM FINISHES Navajo white Chip   Winter White Chip   White white Chip  
          NAVAJO WHITE (CC104)   WINTER WHITE (CC105)   WHITE WHITE (CC301)  
                     
    Browntone Chip White Smoke Chip   bone china Chip   Navajo white Chip   Snow white Chip        
    BROWNTONE (SC101) WHITE SMOKE (CC302)   BONE CHINA (CC303)   DESIGNER WHITE (CC304)   SNOW WHITE (CC311)
                     
    Autumn Brown Chip Charcoal Chip   Cape Cod Chip   Neutral Gray Chip   Nickel Chip
    AUTUMN BROWN (SC102) CHARCOAL (CC401)   CAPE COD GRAY (CC402)   NEUTRAL GRAY (CC403)   NICKEL (CC404)
                   
    Black Chip driftwood Chip   Sandy Beach Chip   Cameo Beige Chip   Thunder Chip
    BLACK (SC103) DRIFTWOOD (CC501)   SANDY BEACH (CC502)   CAMEO BEIGE (CC503)   THUNDER (CC511)
     
                 
    Stone Gray Chip Black Bean Chip   Urban Bronze Chip   Navajo white Chip   Coacoa Chip
    STONE GRAY (SC106) BLACK BEAN (CC611)   URBANE BRONZE (CC612)   BROWN SUGAR (CC601)   COCOA (CC602)
                   
    Western white Chip Doeskin Chip   Harvest Moon Chip   Cordovan Chip   Ruby Red Chip
    WESTERN WHITE (SC107) DOESKIN (CC603)   HARVEST MOON (CC604)   CORDOVAN (CC701)   RUBY RED (CC702)
                   
    alumatone Chip Pacific Blue Chip   Twilight Chip   Jade Chip   Kentucky Grass Chip
    ALUMATONE (SC108) PACIFIC BLUE (CC801)   TWILIGHT (CC802)   JADE (CC901)   KENTUCKY GRASS (CC902)
                   
    Primer Chip
    Ocean Spray Chip   Malubu Green Chip   black nickle Chip.png    
    PRIMER (SC109) OCEAN SPRAY (CC901)   MALIBU GREEN (CC904)   BLACK NICKEL (CC905)    
                   
      NOTES: Consult factory for pricing and lead times.
       

    ELITE SERIES black nickle Chip.png   black nickle Chip.png            
      430 BRIGHT STAINLESS STEEL (ES204)   304 #4 BRUSHED STAINLESS STEEL (ES206)    

    CUSTOM COLORS

    Custom color matching is also available. Submit color chip for matching. Consult factory for pricing and lead times.


    NOTES:
    Color chips available upon request, all finishes are semi-gloss unless otherwise specified. Touch-up paint available upon request, colors may vary slightly.

    For complete technical information, contact your Timely distributor or our Marketing Service Department. Colors & price subject to change.

     

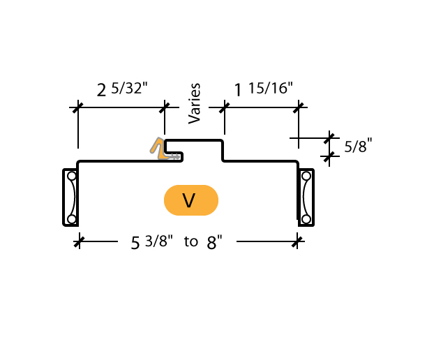
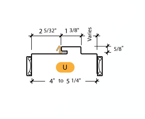
     KERFED FRAME (CK-Series) | Frame ProfilesIcon CK Series Large

    Click to enlarge drawings

    CK-SERIES 18 GAUGE
      1 3/4″ Door  
    Kerfed - Frame Profile (U) Kerfed - Frame Profile (V) - this profile may also be used for Communicating Doors
         
    Profiles are shown with TA-8 Casing for example only.