Uses - Lodging Uses - Multi-Housing Uses - Single Family
                   
ADJUSTABLE KERFED FRAME (AK-Series) LIMITED DISTRIBUTION*
  

Adjustable Kerfed General Info image

*Limited Distribution: Check factory for availability.

 

 

AK-Series Frames will accomodate a 1 3/4″ door weighing up to 250 lbs.

 

AVAILABLE JAMB DEPTHS

Adjustable from 4 1/2″ to 10 1/2″ using six different closure pieces.

 

Download Adjustable Kerfed Frame (AK-Series) General Information

  

Our new GalXC™ material is now standard for all Timely door frames raising the quality and performance properties to the highest level at an exceptional value. GalXC is a Hot Dipped Galvanized product that provides superior corrosion resistance in the harshest environments while balancing outstanding surface, gauge, and shape quality.

 

Our AK-Series Frame is designed specifically for the Residential Market where Weatherstrip, Thresholds, and Pre-Hanging are common requirements. AK-Series frames are the solution for House to Garage openings where Fire Ratings and Security are are essential.

 

For commercial applications, use this frame for projects where jobsite finishing is acceptable or primed wood casing is being used.

 

Timely AK-Series Frames are made using 20 gauge galvanized primed steel.

 

Finishing options are restricted to High Definition White primer.

 

Fire Ratings up to 90 minutes are avaliable.

 

Mullions are not available for AK-Series Adjustable Frames.

   

    ADJUSTABLE KERFED FRAME (AK-Series) | Casing Options

    Casing Profiles for Timely Steel Door Frames

    AK SERIES FRAME: The AK series frame is only available without factory applied casing clips. If Timely applied casing is required, order TA-18 casing retainer clips which are applied to the frame at the jobsite after the frame is installed.

    FIRE RATINGS: Wood casing must be applied with hot melt glue or contact adhesive on 90 minute rated frames and on all glazed openings with 45 minute or 60 minute rating. On all other fire rated frames, wood casing can be applied with nails or finish head screws on jambs and mullions.

    Wood casing: can easily be applied to Timely frames. This requires a frame without Casing Retainer Clips. Specify frames with nail holes and oval slots (NHOS) only Wood casing is then installed over the frame face using a nail gun or trim head screws. Casing profile must provide back clearance for screw heads used to install frame.

    (AK frames are not available with glazing)

    ADJUSTABLE KERFED FRAME (AK-Series) | Color Options

       
    STOCK FINISH  
    Primed
     

    HIGH DEFINITION WHITE

     

     

     

     
     

    ADJUSTABLE KERFED FRAME (AK-Series) | Frame ProfilesIcon AK Series Large

    Click to enlarge drawings

    AK-SERIES 20 GAUGE
    1 3/4″ Door
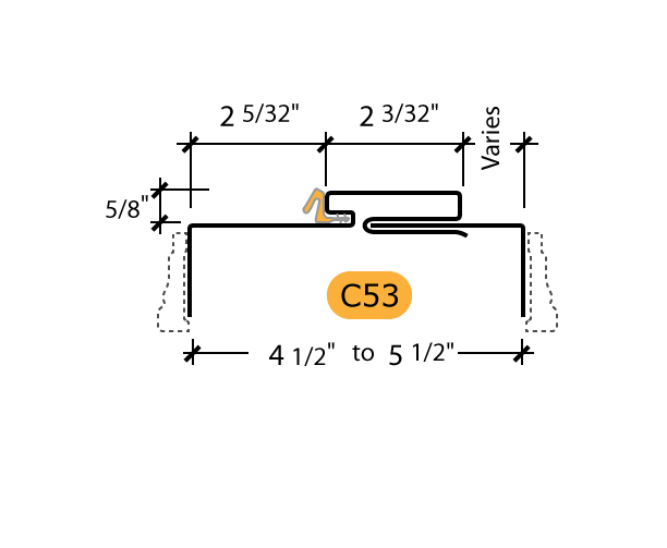
    Adjustable Kerfed - Frame Profile (C53) Adjustable Kerfed - Frame Profile (C83)
    Adjustable Kerfed - Frame Profile (C63) Adjustable Kerfed - Frame Profile (C93)
    Adjustable Kerfed - Frame Profile (C73) Adjustable Kerfed - Frame Profile (C103)
    NOTES: 1. Mullions and Sidelights are not avaliable for AK-Series frames.