Uses - Lodging Uses - Office Uses - Medical Office Uses - Dormitories Uses - Buildings of Worship Uses - Assisted Living Uses - Multi-Housing Uses - School Uses - Hospital Non Surgical Uses - Single Family
                   
CLASSIC FRAME (S-SERIES & C-SERIES) SINGLE ACCESS
Timely Steel PreFinished Steel Door Frames Classic Single Access

    CLASSIC FRAME (S-Series & C-Series) – Single Access | Related Information

    CLASSIC FRAME (S-Series & C-Series) – Single Access | Fire Rating

    Icon for Fire Rating FIRE RATING

    JAMB DEPTH RANGE 45 Minute (S & C Series) 90 Minute (C-Series Only) GENERAL INFORMATION
    Min. Jamb Depth:

    3 3/8"

     

    Max. Jamb Depth:

    13"

    dimension bracketMax. Door Width:

    up to 4' – 0"

     

    Max. Door Height:

    5' – 0"

     

    dimension bracketMax. Door Width:

    4' – 0"

     

    Max. Door Height:

    5' – 0"

    1. All openings approved for Positive and Neutral pressure unless otherwise noted.
    2. All ratings apply to steel stud, wood stud, or masonry construction.
    3. All ratings approved for category “A” and ‘B” doors with category “G” edge sealing.
    4. Timely’s fire rated Metal “U” Insert is recommended for masonry installations. If wood sub-frame is used in place of Metal “U” Insert, it will be necessary to use fire rated drywall on both sides of wood to maintain fire rating.
    5. Wood or Aluminum casing does not affect ratings on door frames. Wood casing must be applied with hot melt glue or contact adhesive on 90 minute rated frames and on all glazed openings with 45 minute or 60 minute rating. On all other fire rated frames, wood casing can be applied with nails or finish head screws on jambs and mullions.
    6. Single frames must be prepared for strike.
    7. Embossed WHI 90 min. label is available for Primed Frames only.
    8. Metal 90 min. label riveted to frame is available.

    View minimum screw length here

     

    All dimensions shown are inside dimensions – net door opening size.

     

    Distributors of Timely Frames may be approved to purchase labels and apply them to frames at their own facility. Intertek has set guidelines and a fee schedule for this program. Requirements and prices are available from Timely or Intertek.

    CLASSIC FRAME (S-Series & C-Series) – Single Access | Rough Openings

    ROUGH OPENING DIMENSIONS Rough Opening Classic Single Access - Rough Opening
    WIDTH

    For Single access doors, the rough opening width is 1 1/4" larger than the nominal door width.

    Width is nominal door height (net inside frame dimension)
    ROUGH OPENING: Nominal Door width + 1 1/4"
     
    HEIGHT

    For Single access door, the rough opening height is 1 1/4" larger than the nominal door height.

     
    Height is the inside dimension of the frame
    ROUGH OPENING: Door height + 1 1/4"  
    Download Classic – Single Access | Rough Opening image  
       

    CLASSIC FRAME (S-Series & C-Series) – Single Access | Casing Options

    Casing Profiles for Timely Steel Door Frames

    Please select “Products > Casing Options” from the main menu if you require additional information regarding Timely’s casing options.
    Wood casing: can easily be applied to Timely frames. This requires a frame without Casing Retainer Clips. Specify frames with nail holes and oval slots (NHOS) only Wood casing is then installed over the frame face using a nail gun or trim head screws. Casing profile must provide back clearance for screw heads used to install frame. Fire Ratings: Wood casing must be applied with hot melt glue or contact adhesive on 90 minute rated frames and on all glazed openings with 45 minute or 60 minute rating. On all other fire rated frames, wood casing can be applied with nails or finish head screws on jambs and mullions.

    CLASSIC FRAME (S-Series & C-Series) – Single Access | Color Options

     
    STANDARD
    FINISHES
      PRE-MATCHED CUSTOM FINISHES Navajo white Chip   Winter White Chip   White white Chip  
          NAVAJO WHITE
    (CC104)
      WINTER WHITE
    (CC105)
      WHITE WHITE
    (CC301)
     
                     
    Browntone Chip White Smoke Chip

      bone china Chip   Navajo white Chip   Snow white Chip        
    BROWNTONE
    (SC101)
    WHITE SMOKE
    (CC302
    )
      BONE CHINA
    (CC303)
      DESIGNER WHITE
    (CC304
    )
      SNOW WHITE
    (CC311)
                     
    Autumn Brown Chip Charcoal Chip   Cape Cod Chip   Neutral Gray Chip   Nickel Chip
    AUTUMN BROWN
    (SC102)
    CHARCOAL
    (CC401)
      CAPE COD GRAY
    (CC402)
      NEUTRAL GRAY
    (CC403)
      NICKEL
    (CC404)
                   
    Black Chip driftwood Chip   Sandy Beach Chip   Cameo Beige Chip   Thunder Chip
    BLACK
    (SC103)
    DRIFTWOOD
    (CC501)
      SANDY BEACH
    (CC502)
      CAMEO BEIGE
    (CC503)
      THUNDER
    (CC511)
     
                 
    Stone Gray Chip Black Bean Chip   Urban Bronze Chip   Navajo white Chip   Coacoa Chip
    STONE GRAY
    (SC106)
    BLACK BEAN
    (CC611)
      URBANE BRONZE
    (CC612)
      BROWN SUGAR
    (CC601)
      COCOA
    (CC602)
                   
    Western white Chip Doeskin Chip   Harvest Moon Chip   Cordovan Chip   Ruby Red Chip
    WESTERN WHITE
    (SC107)
    DOESKIN
    (CC603)
      HARVEST MOON
    (CC604)
      CORDOVAN
    (CC701)
      RUBY RED
    (CC702)
                   
    alumatone Chip Pacific Blue Chip   Twilight Chip   Jade Chip   Kentucky Grass Chip
    ALUMATONE
    (SC108)
    PACIFIC BLUE
    (CC801)
      TWILIGHT
    (CC802)
      JADE
    (CC901)
      KENTUCKY GRASS
    (CC902)
                   
    Primer Chip
    Ocean Spray Chip   Malubu Green Chip   black nickle Chip.png    
    PRIMER
    (SC109)
    OCEAN SPRAY
    (CC901)
      MALIBU GREEN
    (CC904)
      BLACK NICKEL
    (CC905)
       
                   
      NOTES: Consult factory for pricing and lead times.
       

    ELITE SERIES black nickle Chip.png   black nickle Chip.png            
      430 BRIGHT STAINLESS
    STEEL (ES204)
      304 #4 BRUSHED STAINLESS
    STEEL (ES206)
       

    CUSTOM COLORS

    Custom color matching is also available. Submit color chip for matching. Consult factory for pricing and lead times.


    NOTES:
    Color chips available upon request, all finishes are semi-gloss unless otherwise specified. Touch-up paint available upon request, colors
    may vary slightly.

    For complete technical information, contact your Timely distributor or our Marketing Service Department. Colors & price subject to change.

     

    CLASSIC FRAME (S-Series) | Frame ProfilesIcon S Series Large

    Click to enlarge drawings

    S-Series 20 GAUGE
    1 3/8" Door Available in both door sizes 1 3/4" Door
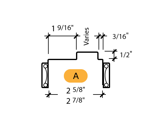
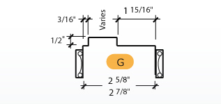
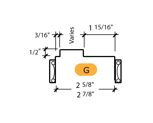
    Classic S-Series Frame Profile (A) Minimum order quantity of 100 frames for Profiles A and G. Classic S-Series Frame Profile (G)
    Classic S-Series Frame Profile (F)
    S-series Footer

    CLASSIC FRAME (C-Series) | Frame ProfilesIcon C Series Large

    Click to enlarge drawings

    C-Series 18 GAUGE
    1 3/8" Door Available in both door sizes 1 3/4" Door
    Classic C-Series Frame Profile (A) Classic C-Series Frame Profile Classic C-Series Frame Profile (G)
    Classic C-Series Frame Profile (B) Classic C-Series Frame Profile (E) Classic C-Series Frame Profile (H)
    Classic C-Series Frame Profile (C) Classic C-Series Frame Profile (F) Classic C-Series Frame Profile (J)
    Classic C-Series Frame Profile (CC) Classic C-Series Frame Profile (FF) Classic C-Series Frame Profile (JJ)
    Classic C-Series Frame Profile (CE) Classic C-Series Frame Profile (FE) Classic C-Series Frame Profile (JE)
    Classic C-Series Frame Profile (D) Classic C-Series Frame Profile (channel section) Classic C-Series Frame Profile (K)
    Classic C-Series Frame Profile (EE)
    FX  3 ¾” FACE HEADER — Use with sub frame for CMU Application EX  3 ¾” FACE NO STOP HEADER — Use with standard frame for Concealed Overhead Closer Installation FXi  3 ¾” FACE INSERT — Use for sub frame at head with standard frame in CMU
    Classic C-Series Frame Profile (Fex) Classic C-Series Frame Profile (Eex) Classic C-Series Frame Profile (Eexi)
    GLASS STOP OR DOOR PANEL CAN BE APPLIED TO ONE OR BOTH SIDES OF ANY MULLION OR JAMB.
    Classic C-Series Frame Profile (Mullion w/Glazing) Classic C-Series Frame Profile (Frame w/Stop and Glazing)) Classic C-Series Frame Profile (Mullion w/Glazing No Stop)
     
    NOTES: 1. C-Series Sidelights are only avaliable in Profiles C, E, or F.    2. 4″ Sidelights are only avaliable in Profiles E or G.     3. Profiles are shown with TA-8 Casing for example only.
     

    CLASSIC FRAME (S-Series & C-Series) – Single Access | Elevations

    Click to enlarge drawings

    CLASSIC FRAME (S-Series & C-Series) – Single Access | Details

    Click to enlarge drawings

    CLASSIC FRAME (S-Series & C-Series) – Single Access

    PDF Image Thumb Classic Single Access Download File in Adobe Acrobat Format PDF DOWNLOAD Classic Single Access.pdf To save the file, right click on the link, choose to Save Link As and save the file to a location on your computer.